Подходит для установки во двор многоэтажного дома. Антивандальное оборудование.
Бизиборд МЧС представляет собой панель, с одной стороны которой ребенок может сложить различные продукты в тележку, а с другой — положить их на весы. Края дорожки бизиборда покрыты монолитным поликарбонатом, что делает их износостойкими на истирание. Оборудование предназначено для установки на детских игровых площадках.
Оборудование предназначено для установки на детских игровых площадках.
Комплект поставки:
- Развивающий элемент МЧС — 1 шт..
- Паспорт изделия.
Особенности монтажа:
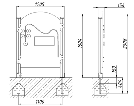
Монтаж оборудования осуществляется путем бетонирования опор каркаса на глубину не менее 400 мм. Бетонирование производится таким образом, чтобы поверхность фундамента была выполнена на отметке -150 мм от уровня площадки. Оставшееся пространство ям после монтажа засыпается с уплотнением до уровня детской площадки.
Материалы конструкции и их покрытие:
- Стойки — брус клееный сечением 100х100 мм.
- Накладки: влагостойкая березовая фанера толщиной 18 и 9 мм ГОСТ 3916.1-96.
- Накладки по краям дорожек: монолитный прозрачный поликарбонат, толщиной 5 мм.
- Элементы крепежа оцинкованы и снабжены предохранительными колпачками. Торцевые отверстия труб закрыты пластиковыми заглушками.
- Фанерные детали предварительно обработаны антисептической выравнивающей грунтовкой. Металл — полимерно-порошковая краска.
- Рисунок нанесен методом печати на УФ принтере и покрыт лаком.
- Покрытия устойчивы к сложным атмосферным условиям, истиранию, воздействию ультрафиолета.
Стоимость установки рассчитает менеджерНажимая на кнопку "Задать вопрос" Вы даете согласие на обработку персональных данных






